电动排烟天窗作为一种重要的排烟和采光设施,其电气控制系统的科学性和合理性对建筑的安全运行至关重要。本文将围绕电动排烟天窗的电气原理进行探讨,并结合11cj33通风采光天窗图集,阐述其在实际应用中的重要性。
电动排烟天窗是一种通过电力驱动实现开闭的天窗,主要应用于大型工业厂房、商场、体育馆等场所。在火灾发生时,窗扇能迅速开启,排出室内烟雾,为人员疏散创造有利条件。
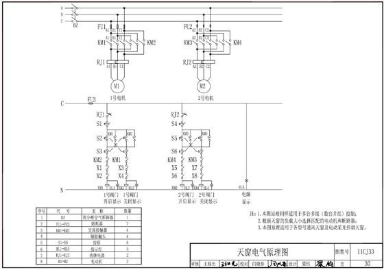
11cj33通风采光天窗图集,作为国家建筑标准设计图集,详细规定了通风采光天窗的设计、安装及使用规范,同时,给出了电动排烟天窗的电气原理图。
本图原理同样适用于多台多组(数台并组)控制,需要根据电动排烟天窗的负载大小选择匹配的电动机和断路器。
此外,屋顶电动排烟天窗的电气控制系统主要包括电源模块、控制模块、驱动模块以及传感器模块。其中电源模块负责为控制系统提供稳定的电力供应。控制模块则根据接收到的信号,如烟雾传感器、温度传感器的信号,来决定是否启动排烟程序。驱动模块通过电机驱动天窗开启或关闭。传感器模块能够实时监测环境变化,确保系统的及时响应。

MCW5型通风天窗(暗扣式)
MCW7型通风天窗(箱型骨架式)
C1XT三角形电动采光排烟天窗(下开式)
TC5型流线型通风天窗