四川麦克威通风设备有限公司
咨询热线:028-82630900
手机:13881905158
传真:028-82630433
邮箱:mcwell@qq.com
办公:成都市青羊区光华东三路489号西环广场2栋
厂址:成都市金堂淮口工业区节能大道(国染大道)
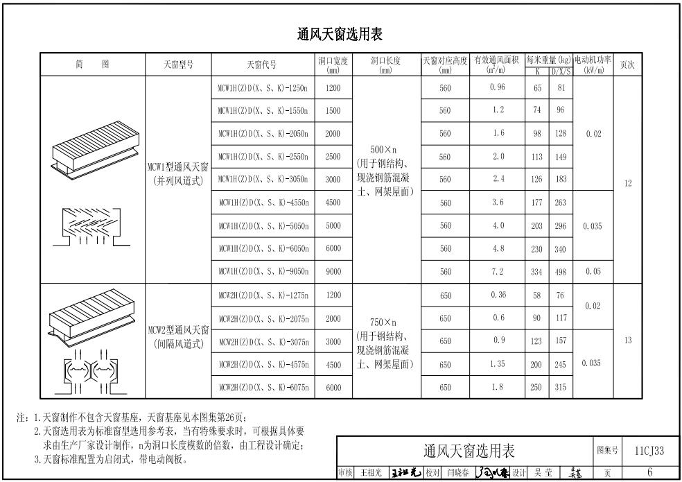
图集11CJ33通风天窗选用表之薄型天窗
图集11CJ33《通风天窗》是中国建筑设计标准研究院同四川麦克威科技有限公司联合主编的一本通风天窗标准参考图集,在图集中为我们详细讲解了几种通风天窗以及电动采光排烟天窗的标准做法,为我们的广大企业客户提供了一个厂房屋顶天窗参考。今天小小麦就为大家简要介绍一下这本图集中所提及到的薄型天窗的相关内容。
图集11CJ33薄型天窗类型,包括:
1.MCW1型通风天窗,即并列风道式通风天窗。
2.MCW2型通风天窗,即间隔风道式通风天窗。
薄型天窗,无论是MCW1型通风天窗还是MCW2型通风天窗均采用模块单元组合,能够满足客户对于通风天窗不同尺寸的要求。薄型天窗的高度一般较低,普遍小于630mm。薄型天窗相较于其他一些高容量的通风天窗来说,耗钢量少,能够降低企业厂房总投资,是现目前工业厂房中较为常用的通风天窗类型。
图集11CJ33薄型天窗标准窗型选用参考表:
本参考表主要是为广大客户提供一个参考标准。当客户有特殊要求的时候,可以根据客户的具体要求由生产厂家进行研发、设计、制作。在这里“n”为洞口长度模数的倍数,由工程设计进行确定。麦克威通风作为11CJ33图集的主编单位(图集免费下载),经验丰富,产品质量过硬,服务到家,在行业内外拥有极高的美誉度和满意度。更多麦克威通风标准图集资讯敬请关注麦克威网站(www.mcwell88.com)或致电麦克威专线(028-82630900).
热点产品 / Hot Products
“推荐阅读”
- 2017-07-04厂房通风天窗好不好?通风天窗价格如何确定?
- 2018-02-08陕西省成品气楼,陕西带气楼钢结构厂房换气通风
- 2022-09-26屋面通风天窗的防腐性能怎样?如何配置?






川公网安备 51010502010565号
扫一扫更精彩
扫一扫

